產品中心
推薦產品
聯(lián)系我們
聯(lián)系人:肖先生
電話:+86-0769-81555681
移動電話:15989689036
傳真:+86-0769-81555187
地址:廣東東莞市長安鎮(zhèn)霄邊莞深智造技術裝備工業(yè)城G棟
電話:+86-0769-81555681
移動電話:15989689036
傳真:+86-0769-81555187
地址:廣東東莞市長安鎮(zhèn)霄邊莞深智造技術裝備工業(yè)城G棟
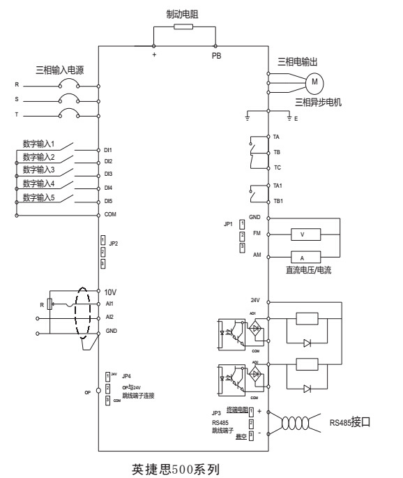
英捷思變頻器 Y500-XS0007G1 重載型/面板式
產品介紹:? ? ? ? ? ? 品牌:威邦
? ? ? ? ? ? 功率:
? ? ? ? ? ? 型號:Y500-XS0007G1
? ? ? ? ? ? 額定轉矩:kgf.cm
? ? ? ? ? ? 額定電壓:
產品詳情







關鍵字:英捷,思,變頻器,Y500-XS0007G1,重載型,面,板








客服中心